10 шт./лот IRLS3034-7P IRLS3036-7P 40sc228 IRL40SC209 TO-263-7 ► Фото 1/1

Фотографии покупателей

Ещё
10 фото

Спецификации

  • Название бренда: NoEnName_Null
  • Тип аксессуара: Зарядное устройство Аксессуары
  • Compatible: Game Console, Kinect

10 шт./лот IRLS3034-7P IRLS3036-7P 40sc228 IRL40SC209 TO-263-7

Продавец:
Рейтинг Alitools:
83%
/
Рейтинг Aliexpress:
80%
8.00 10.40 $
1   отзывов
Рейтинг: 4

История цены

Уведомление о падении цены

Наш Telegram bot уведомит вас как только цена упадет до желаемой

Отзывы покупателей

O***v
25 июля 2020

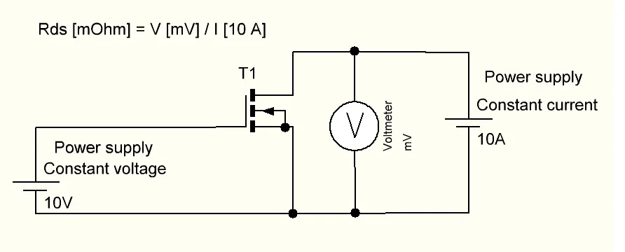
Транзисторы работают, но параметры не отвечают заявленным в документации. По даташиту сопротивление открытого канала должно быть 0.5 мОм, а в реальности - около 2-3 мОм.